
A Stm8s103f3p6 se yon mikrokontroleur 8-ti jan manifaktire pa stmicroelectronics, ki renome pou fonctionnalités enpresyonan li yo ak entegrasyon san pwoblèm.Se aparèy sa a kontra enfòmèl ant ekipe ak yon sifas-monte aparèy (SMD) style aliye, ki enkòpore yon nwayo avanse ak periferik ki délikatès manifaktire lè l sèvi avèk teknoloji dènye kri.Avèk yon frekans revèy nan 16 megaèrts, STM8S103F3P6 a gen anpil yon gaya I/O kapasite, asire efikas pwosesis done ak manyen.Revèy gadyen endepandan li yo, ekipe ak yon sous revèy endepandan ak sistèm sekirite revèy, garanti pèfòmans aparèy optimal ak detèminasyon kont deranjman potansyèl yo.
Youn nan karakteristik exceptionnelles li yo se memwa flash li yo, ki bay depo ki pa temèt pou kòd ak done.Avèk yon ranje vòltaj opere spanning soti nan 2.95 V a 5.5 V, sa a mikrokontroleur se trè versatile ak adaptab nan aplikasyon pou divès kalite.Anplis de sa, li ofri yon lajè ranje tanperati opere nan -40 ° C a 85 ° C, fè li apwopriye pou deplwaman nan divès kondisyon anviwònman an.
• MSP430G2353
• PIC16LF18444T


Konsomasyon ba pouvwa: Li gen yon varyete de mòd konsomasyon pouvwa ki ba yo chwazi nan, ki gen ladan mòd san fè anyen konsa, mòd dòmi, mòd gwo twou san fon dòmi ak mòd, ki ka efektivman pwolonje lavi batri ak ekonomize enèji.
Segondè pèfòmans: Li adopte pèfòmans-wo STM8 achitekti debaz, ki pèmèt frekans lan opere yo dwe kòm yon wo 16MHz, ki anpil amelyore vitès la ekzekisyon enstriksyon ak bay kapasite pi efikas informatique pou aplikasyon nou an.
Plizyè interfaces kominikasyon: Li sipòte yon varyete de interfaces kominikasyon ki gen ladan SPI (seri koòdone periferik), I2C ak UART.Atravè interfaces sa yo, li ka fasilman kominike ak kominike avèk aparèy ekstèn reyalize plis fonksyon ak aplikasyon pou.
Periferik abondan: mikrokontroleur STM8S103F3P6 gen anpil resous periferik, ki gen ladan 16KB nan memwa flash ak 1KB nan memwa RAM, osi byen ke souvan itilize interfaces tankou broch GPIO, time, ak UART.Divèsite nan sa yo periferik fè aparèy la apwopriye pou senaryo aplikasyon divès kalite epi yo ka satisfè bezwen yo nan jaden diferan ak endistri yo.Si li se kontwòl endistriyèl, kay entelijan, oswa sistèm entegre, STM8S103F3P6 ka bay sipò.

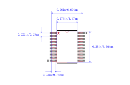
Se STM8S103F3P6 a pake nan yon mens retresi ti pake deskripsyon (TSSOP) e li gen 20 broch.Kò a ak espas plon yo pi piti pase pakè SOIC estanda.Yon karakteristik tipik nan TSSOP se fòmasyon nan broch alantou chip nan pake, ki fè li apwopriye pou aliye fil elektrik sou PCBs lè l sèvi avèk teknoloji SMT.Lè w ap itilize pake TSSOP, paramèt yo parazit (pwodiksyon vòltaj twoub ki te koze pa gwo chanjman nan aktyèl) yo pi piti, kidonk li se apwopriye pou aplikasyon pou wo-frekans.Sa a kalite pake se pi bon yo opere epi ki gen pi wo fyab.
Pake a TSSOP gen karakteristik sa yo:
• Ti PIN espas: espas PIN la se jeneralman 0.5mm oswa 0.65mm.Atravè konsepsyon an nan ba tablo kwiv tablo, plis aparèy ka mete sou tablo a sikwi ak menm zòn nan ak gwosè.
• Dimansyon lajè nan aplikasyon: Li ka aplike nan jaden aplikasyon divès kalite tankou mikrokontroleur, DSPs, bato memwa, ak bato ekipman pou pouvwa.
• Segondè konte PIN: nimewo a nan broch se jeneralman alantou 20 a 64, ki ka satisfè sèten kondisyon entegrasyon chip.
• Ti pake gwosè: Konpare ak òdinè ti deskripsyon (SO) pakè, gwosè pake li yo se pi piti, epesè se mens, ak volim se pi piti, fè li apwopriye pou anbalaj nan gwo dansite sikwi entegre.
• Segondè pèfòmans: Li adopte sifas mòn teknoloji, gen bon konduktivite ak rezistans korozyon, epi yo ka satisfè kondisyon espesyal tankou gwo vitès, frekans segondè, miniaturizasyon ak sou sa.
Sòf si otreman espesifye, tout tension yo refere yo bay VSS.
Valè yo minimòm ak maksimòm yo garanti nan kondisyon ki pi negatif, kap anglobe tanperati anbyen, vòltaj ekipman pou, ak frekans.Garanti sa yo etabli nan tès pwodiksyon rijid ki fèt sou 100% nan aparèy yo, ki fèt nan yon tanperati anbyen nan TA = 25 ° C ak TA = Tamax (jan sa defini nan ranje a tanperati chwazi).
Valè ki baze sou rezilta karakterizasyon, similasyon konsepsyon, ak/oswa karakteristik teknolojik yo prezante nan nòt yo tab epi yo pa te sibi tès pwodiksyon an.Konsènan karakterizasyon, valè minimòm ak maksimòm ki gen rapò ak evalyasyon echantiyon yo epi siyifi valè a vle di ak yon seri de plis oswa mwens twa fwa devyasyon estanda a (vle di ± 3σ).
Sòf si klèman deklare otreman, done estanda yo etabli ak TA = 25 ° C, VDD = 5 V. Valè sa yo yo bay sèlman kòm referans konsepsyon epi yo pa te sibi tès yo.
Se presizyon nan tipik nan valè ADC etabli nan karakterizasyon nan yon seri echantiyon ki sòti nan yon anpil difizyon estanda atravè seri a tanperati konplè.Nan kontèks sa a, 95% nan aparèy yo montre yon erè nan valè a espesifye (vle di ± 2σ).
Sòf si espesyalman endike, tout graf estanda yo fèt sèlman kòm referans konsepsyon epi yo pa te sijè a tès la.
Depase evalyasyon maksimòm absoli espesifye yo ka lakòz domaj pèmanan nan aparèy la.Evalyasyon sa yo sèlman endike limit yo nan estrès ke aparèy la ka kenbe fèm, epi li pa enplisit ke aparèy la pral fonksyone byen nan kondisyon sa yo.Ekspozisyon nan kondisyon nan oswa tou pre evalyasyon yo maksimòm ka yon fason negatif enpak disponiblite aparèy la.
Pwofil misyon aparèy la, ki esplike kondisyon aplikasyon li yo, suiv estanda kalifikasyon JEDEC JESD47 la, avèk Des misyon pwolonje ki disponib sou demann.
Pou reyalize estabilite pou regilatè prensipal la, yo ta dwe konekte yon kondansateur ekstèn ki make Cext dwe konekte ak PIN la VCAP.Li esansyèl pou asire ke enduktans seri a rete anba a 15 NH.
Se konsomasyon aktyèl la mezire kòm ilistre nan foto ki anba la a.

Total ekipman pou konsomasyon aktyèl nan mòd kouri
MCU a mete anba kondisyon sa yo:
• Tout periferik yo enfim (revèy sispann pa revèy periferik gating anrejistre) eksepte si klèman mansyone.
• Tout I/O broch nan mòd opinyon ak yon valè estatik nan VDD oswa VSS (pa gen okenn chaj)
Sijè a kondisyon opere jeneral pou VDD ak TA.

STM8S103F3P6 gen 20 broch, non PIN li yo ak fonksyon yo jan sa a:
PIN1 (PD4/ BEEP/ TIM2_ CH1/ UART1 _CK): Port D4
PIN2 (PD5/ AIN5/ UART1 _TX): Port D5
PIN3 (PD6/ AIN6/ UART1 _RX): PORT D6
PIN4 (NRST): Reyajiste
PIN5 (PA1/Oscin): Port A1
PIN6 (PA2/OSCOUT): Port A2
PIN7 (VSS): tè dijital
PIN8 (VCAP): 1.8 V regilatè CAPACITOR
PIN9 (VDD): ekipman pou pouvwa dijital
PIN10 (PA3/ TIM2_ CH3 [SPI_ NSS]): PORT A3
PIN11 (PB5/ I2C_ SDA [Tim1_ Bkin]): Port B5
PIN12 (PB4/ I2C_ SCL): Port B4
PIN13 (PC3/ TIM1_CH3 [TLI] [TIM1_ CH1N]): Port C3
PIN14 (PC4/ CLK_CCO/ TIM1_ CH4/ AIN2/ [TIM1_ CH2N]): Port C4
PIN15 (PC5/ SPI_SCK [TIM2_ CH1]): Port C5
PIN16 (PC6/ SPI_MOSI [TIM1_ CH1]): Port C6
PIN17 (PC7/ SPI_MISO [TIM1_ CH2]): Port C7
PIN18 (PD1/ naje): Port D1
PIN19 (PD2/ AIN3/ [TIM2_ CH3]): Port D2
PIN20 (PD3/ AIN4/ TIM2_ CH2/ ADC_ ETR): Port D3
Jan yo montre nan figi a pi wo a, chip la STM8S103F3P6 gen jiska 16 I/O broch, ki ka itilize pou yon varyete de rezon, tankou GPIO, interfaces periferik, ADC, elatriye li yo I/O broch yo bidirèksyonèl epi yo kaItilize kòm broch opinyon li siyal ekstèn oswa kòm broch pwodiksyon yo voye siyal nan aparèy ekstèn.Anplis de sa, chak I/O PIN ka endepandamman asiyen yon vektè entèwonp fasilite pwosesis egzat nan entèwonp yo lè yo rive.
• Sistèm automatisation: ka mikrokontroleur sa a dwe itilize nan sistèm automatisation tankou rido elektrik, sistèm kontwòl aksè, kontwòl tanperati ak kontwòl ekleraj.
• IoT (entènèt nan bagay sa yo) Aplikasyon: Si nou bezwen devlope aparèy IoT, li kapab itilize kòm yon kontwolè pou nœuds IoT konekte ak kontwole detèktè ak divès kalite modil kominikasyon.
• Aparèy elektwonik pèsonèl: yo itilize nan kamera dijital, MP3 ak MP4 jwè yo, konsola jwèt elektwonik, elatriye.
• Ekipman elektwonik: itilize pou devlope divès ekipman elektwonik
, tankou jwèt elektwonik, kontwòl remote, kalkilatris mini, elatriye.
• Endistriyèl jaden: yo itilize nan PLC, contrôleur endistriyèl, automatisation pwosesis ak bato ekipman kontwòl otomatik, elatriye.
• Akizisyon done ak koòdone Capteur: itilize yo kontwole kondisyon anviwònman an ak kolekte done oswa konekte detèktè divès kalite tankou detèktè limyè, detèktè tanperati, ak detèktè imidite.
• Sistèm kontwòl entegre: itilize nan konsepsyon divès kalite sistèm kontwòl entegre, tankou aparèy nan kay la, ekipman endistriyèl, zouti pouvwa, elatriye pouvwa 8-ti jan pwosesis li yo se ase pou anpil travay kontwòl senp.
STM8S103F3P6 a se yon chip mikrokontroleur devlope pa stmicroelectronics.Li fè pati nan fanmi an STM8 nan 8-ti jan mikrokontroleur ak se lajman ki itilize nan divès kalite sistèm entegre ak aplikasyon pou IoT.
STM8S103F3P6 inite mikrokontroleur gen 640 ti jan ROM, 10-ti jan 5-chanèl ADC, 1KB RAM ak ak yon gwosè memwa pwogram nan 8KB.
Nou ka ranplase STM8S103F3P6 a ak MSP430G2353, PIC16LF18444T, STM8S103F3P3, STM8S103F3P3PRE oswa STM8S103F3P6TR.
Wi, STM8S103F3P6 a fèt ak karakteristik ki ba-pouvwa epi yo ka itilize nan batri ki mache ak aplikasyon pou ba-pouvwa kote efikasite enèji se esansyèl.
Gen kèk karakteristik kle nan STM8S103F3P6 a gen ladan GPIO (Jeneral Objektif Antre/Sòti) broch, UART (Inivèsèl asenkron reseptè/transmetè) kominikasyon, I2C (entè-entegre sikwi) kominikasyon, SPI (seri koòdone periferik) kominikasyon, time, ak plis ankò.
SOU NOU
Satisfaksyon kliyan chak fwa.Konfyans mityèl ak enterè komen.
Espesifikasyon teknik nan ityòm pyès monnen selil CR2354
2024-08-02
Comprehensive Gid pou ATMEGA328-PU MICROCONTROLLER
2024-08-02
Imèl: Info@ariat-tech.comHK TEL: +852 30501966ADD: Rm 2703 27F Ho King Comm Centre 2-16,
Fa Yuen St MongKok Kowloon, Hong Kong.